技術電話:17301986536加盟電話:13689528587

輪輻式傳感器MK102
產品特點:輪輻式傳感器MK102(十字槽輪輻式測力傳感器) 具有高底低,鋼性好,精度高,抗偏裁能力強等特點。
產品用途:輪輻式傳感器MK102(十字槽輪輻式測力傳感器)適用于皮帶秤、料斗秤、倉儲秤、料罐、材料力學試驗機、勞保安全檢測設備。
量程:MK102: 5kN(500kg)、10kN(1t)、20 kN(2t)、30 kN(3t)、50 kN(5t)、100 kN(10t)、200 kN(20t)、300 kN(30t)
MK102-T: 50 kN(5t)、100 kN(10t)、200 kN(20t)
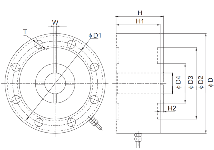
技術參數及外形尺寸:
序號 | 產品技術參數 | |
1 | 額定載荷 | 5kN-300kN |
2 | 綜合精度 | ≤0.05%F.S |
3 | 靈敏度 | 2.0m±0.01V/V |
4 | 線性 | ≤0.03%F.S |
5 | 滯后 | ≤0.05%F.S |
6 | 蠕變 | ≤0.05%F.S/30min |
7 | 重復性 | ≤0.02%F.S |
8 | 零點輸出 | ±1%F.S |
9 | 輸入阻抗 | 387±20Ω |
10 | 輸出阻抗 | 350±5Ω |
11 | 絕緣阻抗 | ≥5000MΩ |
12 | 輸出溫度影響 | <0.05%F.S/10℃ |
13 | 零點溫度影響 | <0.05%F.S/10℃ |
14 | 推薦激勵電壓 | 10V(DC) |
15 | 適用溫度范圍 | -20~70℃ |
16 | 安全過載 | 120%F.S |
17 | 材質 | 合金鋼 |
18 | 接線方式 | 紅……E+(電源正) 黑……E-(電源負) 綠……S+(信號正) 白……S-(信號負) |

型號 | 量程(kN) | 量程(t) | D | D1 | D2 | D3 | D4 | H | H1 | H2 | W | T |
| MK102 | 5-100 | 0.5-10 | 118 | 100 | 82 | 36 | 24 | 50 | 43 | 7 | 4×5.1 | 8×Φ9 |
200 | 20 | 160 | 135 | -- | 62 | 40 | 53 | 45.5 | 7.5 | 4×5.1 | 10×Φ14 | |
300 | 30 | 172 | 147 | -- | 65 | 45 | 74.5 | 67 | 7.5 | 4×5.1 | 12×Φ14 | |
MK102-T | 50-200 | 5-20 | 130 | 105 | 84 | 48 | 32 | 55 | 48 | 7 | 4×5 | 8×Φ14 |
密克傳感器(深圳)有限公司是傳感器源頭生產廠家,致力于測力傳感器的研發生產。產品達百余種,廣泛應用于各種工業自動化、機器人、化工、食品、冶金以及醫療等新型和智能化高端領域。按結構分有輪輻式傳感器,S型傳感器,波紋管傳感器,法蘭盤傳感器,柱式傳感器,扭矩傳感器,平行梁傳感器,拉力傳感器等等,按功能應用場景分有試驗機專用傳感器,攪拌站傳感器,稱重傳感器,包裝機傳感器,壓裝機傳感器,價格美麗,可定制。
密克斯生產的MK102十字槽輪輻式測力傳感器適用于皮帶秤、料斗秤、倉儲秤、料罐、材料力學試驗機、勞保安全檢測設備。。
